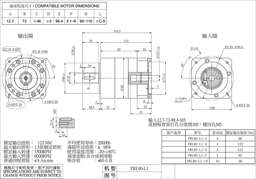
艾伺頓爾行星減速機的安裝尺寸表
文章出處:合富源 人氣:發表時間:2019-04-08 08:53
艾伺頓爾行星減速機的安裝尺寸表

根據上面的圖片可以看出艾伺頓爾行星減速機輸入端的匡號,在這里根據行星減速機廠家提供的匡號可以知道行星減速機輸入端的大小。
艾伺頓爾行星減速機安裝表

根據艾伺頓爾行星減速機安裝表,我們可以看出艾伺頓爾行星減速機輸入端和輸出端各方面的數據,這些數據可以根據艾伺頓爾行星減速機安裝表上輸入端與輸出端的軸徑、定位凸臺、安裝螺絲過孔、安裝孔分度圓、軸伸具體數據和伺服電機進行匹配。
如何正確安裝艾伺頓爾行星減速機?
一、艾伺頓爾行星減速機與原動機的連接
1、安裝艾伺頓爾行星減速機前請務必檢查并確定電機和減速機的好壞,并且嚴格檢查電機與減速機相連接的各部位尺寸是否匹配,主要是指電機的凸臺尺寸和減速機機的凹槽等等尺寸及配合公差。(圖1)

2、取下艾伺頓爾行星減速機法蘭外側工藝孔上的防塵帽,調整艾伺頓爾行星減速機輸入端彈性夾緊裝置使其堅固螺栓與工藝孔對齊,插入內六角扳手(圖2)。此步驟適合筒夾式鎖緊機構聯接。
3、取走電機軸鍵(PX142 以上減速機為帶鍵聯接),將電機輸出軸、定位凸臺及減速機連接部位的防銹油或鋅鈉水擦拭干凈(圖3),其目的是為了保證連接的緊密性及運轉的靈活性,并且防止不必要的磨損,將電機與減速機自然相連。連接時必須保證減速機輸出軸與電機輸入軸同軸度一致,且二者外側法蘭平行,如果軸度不一致,會導致電機軸折斷或減速機齒輪磨損。另外,在安裝行星減速機時,嚴禁使用鐵錘等擊打行星減速機,在擊打的過程中會使軸向力或徑向力過大損壞軸承或齒輪。(圖4)。

4、在電機與艾伺頓爾行星減速機連接前,請先將電機軸鍵槽與堅固螺栓垂直。為保證受力均勻,請先將任意對角位置的安裝螺栓旋上,但是不要旋緊,再旋上另外兩個對角位置的安裝螺栓,最后逐個旋緊四個安裝螺栓(圖5)。最后,旋緊堅固螺栓。所有堅固螺栓均需要用力矩扳手按標明的固定扭力矩數據(見表1)進行固定和檢查(圖6)。


表1
二、艾伺頓爾行星減速機與工作機的連接。
與工作機安裝時,應重視傳動中心軸線對中,其誤差不得大于所有聯軸器的使用補償量。對中良好能有效地延長行星減速機的使用壽命,并獲得理想的傳動效率。在輸出軸上安裝傳動件時,嚴禁許使用錘子等物件敲擊,一般都是使用裝配夾具和軸端的內螺紋,用螺栓把傳動件壓入,否則有可能造成行星減速機內部零件損壞。最好不要采用鋼性固定式聯軸器,因為如果這類聯軸器安裝不當,就會引起不必要的外加載荷,致造成軸承的早期損壞。嚴重時還會造成輸出軸的斷裂。
三、艾伺頓爾行星減速機的固定
行星減速機應牢固地安裝在穩定的基礎或支座上,且冷卻空氣循環流暢。基礎不可靠,運轉時會引起振動及噪聲。安裝就位后,就按次序全面檢查安裝位置的準確性,各堅固件壓緊的可靠性,安裝后應能靈活轉動。行星減速機采用脂潤滑,方可進行空載試運轉,時間不昨少于2小時。運轉應平穩,無沖擊、無振動、無雜音和沒有 滲漏油現象,發現異常應及時排除。如果環境溫度過高或過低時,需要改變潤滑脂的牌號。
推薦產品
同類文章排行
- 合富源為您解析一級、二級、三級行星減速機內部結構圖
- 中空旋轉平臺工作原理
- 行星減速機內部結構圖與傳動原理
- 平行軸行星減速機的概述、特點及應用領域
- 選擇精密伺服行星減速機時應注意哪些問題?
- 伺服行星減速機廠家在國內是否有發展前景?
- 電動缸廠家解析電動缸是如何確定原點位置的
- 什么是一級行星減速機和二級行星減速機?
- 影響精密行星減速機價格的四大因素
- 艾伺頓爾精密行星減速機產品介紹
最新資訊文章
- 直角行星減速機怎樣準確安裝呢?
- 斜齒行星減速機在鍛壓機上的應用
- 伺服精密行星減速機的作用
- 伺服精密行星減速機的傳動效率影
- 精密行星齒輪減速機出現斷軸的原因
- 伺服精密行星減速機失效的原因
- 斜齒行星減速機的價格影響
- 伺服精密行星減速機的周轉你知道嗎?
- 伺服精密行星減速機耐用嗎?
- 伺服精密行星減速機生銹如何防止?
- 斜齒行星減速機使用壽命的五大方法
- 斜齒行星減速機有哪些優勢呢?
- 關于精密行星齒輪減速機維護
- 直角行星減速機有效降低轉速提升扭矩
- 造成小型行星減速機誤差的原因
- 伺服精密行星減速機提高水平有哪些因素
- 直角行星減速機如何進行檢查和維修
- 關于小型行星減速機失效的原因
- 精密行星減速機工作原理溫升測試
- 小型行星減速機換油的技巧




